





Is cineál comhpháirteach trasdula é an tAontas Cruach Dhosmálta a úsáidtear go coitianta i gcomhshó píopaí, a úsáidtear chun naisc phíobáin dhá phíopa nó córas píobaireachta a nascadh agus a dhícheangal. Tá dhá chuid ann, is féidir an modh nasctha de chineál lúibe seo a dhí-chomhdhlúthú go tapa agus go héasca, rud atá tairbheach chun cothabháil, deisiú, agus oibríochtaí eile a phíblíne.
Tá ceardchumainn bhrionnaithe déanta as cruach dhosmálta chun sláine struchtúrach a chinntiú in iarratais ardbhrú agus chun iontaofacht agus marthanacht a sholáthar, tá sé oiriúnach do thimpeallachtaí agus dálaí oibre éagsúla agus tá sé oiriúnach do riachtanais nasc píopaí.
Úsáidtear ceardchumainn cruach dhosmálta go forleathan i gcórais phíblíne ísealbhrú. Is minic a úsáidtear iad i gcórais phíblíne i dtionscail cheimiceacha, peitriliam, próiseála bia, cógaisíochta, agus tionscail eile. Úsáidtear iad freisin chun píblínte, comhlaí, trealamh, nó gabhálais eile a nascadh, atá oiriúnach do tharchur meánteochta nó meántéarmach. $ $
Tabhairt isteach
| Mír | Aontas cruach dhosmálta |
| Caighdeánach | 3a, din, SMS, IDF, BPE, BS, ISO |
| Ábhar | Cruach dhosmálta |
| Tar chun tosaigh | CNC Machined |
| Tíopáil | Réitigh Infheistíochta Teilgcheárta- Teicneolaíocht Caillte Céir |
| méid | 1/8 "-3" |
| Am seachadta | Laistigh de 5-30 lá tar éis an réamhíoctha a fháil |
| Pacáil | Cás fillteáin crapadh- carton-plywood |
| Iarrchán | Bia, dí, ceimiceán, cógaslann, biteicneolaíocht, cosmaideacha, agus tionscail eile i réimse an chórais phíobaireachta cruach dhosmálta $ $ |
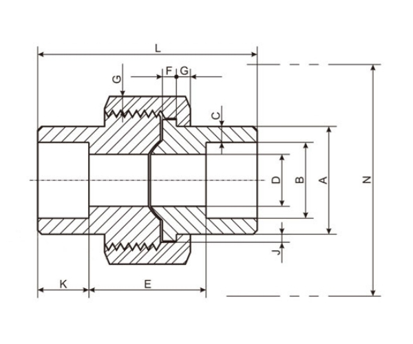
Toisí i milliméadair
| ThuaidhPS | Méid | A | B | C | D (max) | D (min) | K | O | F | G | J (min) | L | N |
| 1/8 " | 6 | 14.7 | 9.88 | 2.41 | 8.43 | 6.34 | 9.5 | 22.4 | 3.18 | 3.18 | 1.24 | 41.4 | 50.8 |
| 1/4 " | 8 | 19 | 12.96 | 3.02 | 11.13 | 9.45 | 9.5 | 22.4 | 3.18 | 3.18 | 1.24 | 41.4 | 50.8 |
| 3/8 " | 10 | 22.9 | 16.5 | 3.2 | 14.27 | 13.51 | 9.5 | 27 | 3.43 | 3.43 | 1.37 | 46 | 55.9 |
| 1/2 " | 15 | 27.7 | 20.24 | 3.73 | 17.86 | 17.07 | 9.5 | 30 | 3.68 | 3.68 | 1.5 | 49 | 58.4 |
| 3/4 " | 20 | 33.5 | 25.68 | 3.91 | 23.01 | 21.39 | 12.5 | 31.9 | 4.06 | 4.06 | 1.68 | 56.9 | 66 |
| 1 " | 25 | 41.4 | 32.3 | 4.55 | 28.98 | 27.74 | 12.5 | 37 | 4.57 | 4.45 | 1.85 | 62 | 78.7 |
| 1 1/4 " | 32 | 50.5 | 40.8 | 4.85 | 37.69 | 35.36 | 12.5 | 46.1 | 5.33 | 5.21 | 2.13 | 71.1 | 94 |
| 1 1/2 " | 40 | 57.2 | 47.04 | 5.08 | 43.54 | 41.2 | 12.5 | 51.5 | 5.84 | 5.59 | 2.31 | 76.5 | 111.8 |
| 2 " | 50 | 70.1 | 59.02 | 5.54 | 55.58 | 52.12 | 16 | 54.1 | 6.60 | 6.35 | 2.69 | 86.1 | 132.1 |
| 2 1/2 " | 65 | 85.3 | 71.28 | 7.01 | 66.27 | 64.31 | 16 | 70.4 | 7.49 | 7.11 | 3.07 | 102.4 | 149.9 |
| 3 "$ $ | 80 | 102.4 | 887.16 | 7.62 | 88.25 | 77.27 | 16 | 77 | 8.26 | 8.00 | 3.53 | 109 | 175.3 |
Bunaithe i 2007 agus bhog sé go Crios Forbartha Eacnamaíochta Longyou, Zhejiang Province, i 2022. Clúdaíonn sé achar de 130,000 méadar cearnach, níos mó ná 30 líne táirgthe, 300 oibrí, 20 duine T&F, 30 duine cigireachta agus aschur bliantúil de 50,000 tonna.
Tá Córas Bainistíochta Cáilíochta ISO9001: 2008 rite aige, PED 97/23/CE deimhniú Trealamh Brú Trealamh Brú, Ceadúnas Déantúsaíochta Trealamh Speisialta na Síne (Feadán Brú) TS, Deimhniú ASME, Córas Bainistíochta Caighdeánaithe Fiontraíochta Cúige, Córas Bainistíochta Comhshaoil 2004, Clár Glan (Fiontraíocht Ghlas), agus sraith de theastas, Clár na Breataine), Clár na Breataine) de Chlár na Breataine), agus Sraith de Chlár na Breataine de Chumann Classification) na Breataine), agus: de loingseoireacht (LR), Deutsche Veritas (GL), Bureau Veritas Society (BV), Deimhniú Monarcha Norske Veritas (DNV), agus Deimhniú Monarcha Chlár Loingseoireachta na Cóiré (KR).
I measc na bpríomhtháirgí tá píopaí cruach dhosmálta, feistis phíobáin, flanges, comhlaí, etc., a úsáidtear go forleathan i peitriliam, tionscal ceimiceach, tionscal núicléach, bruithniú, longthógáil, cógaisíocht, bia, caomhnóireacht uisce, cumhacht leictreach, fuinneamh nua, trealamh meicniúil, agus páirceanna eile. Cloíonn an chuideachta leis an tenet corparáideach de "cháilíocht le haghaidh marthanais, cáil ar fhorbairt" agus freastalaíonn sé go dílis ar gach custaiméir chun cás buaiteach a chruthú.





Éilíonn bonneagar gáis ábhair a fheidhmíonn gan chomhréiteach - gan aon sceitheadh, gan aon chliseadh creimthe, gan aon iontas brú. Tá áit tuillte ag píopa cruach dhosmálta mar cheann de na rogh...
Féach níos móTá an-áthas orainn deireadh buaiteach ár rannpháirtíochta a fhógairt Feadán 2026 , príomh-aonach trádála an domhain do theicneolaíocht feadáin agus píopaí, a tionóladh ó 13 go 17 Aibreán, 20...
Féach níos móTá teicneolaíocht feadáin choil anois ar cheann de na huirlisí is riachtanach sa tionscal ola agus gáis nua-aimseartha. Cibé an idirghabháil mhaith, spreagadh nó druileáil é, cuireann cuideachta...
Féach níos móNí roinnfimid do sheoladh ríomhphoist go deo agus tusa
Is féidir linn diúltú ag am ar bith, geallaimid.