





Déantar cúpláil dhíreach cruach dhosmálta a mheaitseáil tar éis dó tinneas cruach nó cruach a chruthú. Is é an fhoirm nasctha ná táthú soicéad (táthú soicéad-SW). Cuirtear an píopa cruach isteach sa pholl soicéad le haghaidh táthú. Dá bhrí sin, tugtar "cúpláil dhíreach cruach dhosmálta air".
Ciallaíonn cúpláil dhíreach cruach dhosmálta go bunúsach nuair a bhíonn an píopa brainse ceangailte leis an bpríomhphíopa, go méadaítear é tríd an gcomhpháirt leathphíopa chun táthú a éascú, agus ansin tá an taobh eile ceangailte leis an bpíopa brainse.
Úsáidtear cúpláil dhíreach go forleathan i bpíopaí trastomhais éagsúla, lena n -áirítear tee, cros, etc., agus is féidir é a úsáid freisin le haghaidh méadair agus comhlaí uisce. Mar gheall ar an struchtúr soicéad, laghdaíonn an phíobán an costas agus tá sé thar a bheith áisiúil chun é a shuiteáil, a úsáid agus a chothabháil. Tá a lán buntáistí ann, cosúil le dromchla réidh, nach bhfuil sé éasca a thruailliú, cothabháil nialas, agus saol fada seirbhíse. Tá cumais an -ard um chosc sceite aige freisin agus tá ionchais iontacha margaidh aige.
Iarratas: Tá an fheistiú seo oiriúnach chun dhá phíopa neamhthruaillithe a cheangal ina bhfuil gá le neart ard teanntachta agus tionchair. A úsáidtear go forleathan i dtógáil foirgneamh, seomraí folctha, cistiní, slogaidí, saotharlanna, srl. $ $
Tabhairt isteach
| Mír | Cúpláil dhíreach cruach dhosmálta |
| Caighdeánach | ANSI B16.11, MSS SP 97, MSS SP 95, MSS SP 83, BS3799, ASTM A733, etc. |
| Ábhar | Cruach dhosmálta |
| Tar chun tosaigh | CNC Machined, Ola Frith-Rust, HDG (Gal Dip Hot.) |
| Tíopáil | Teilgean |
| méid | DN6-100 |
| Am seachadta | Laistigh de 5-30 lá tar éis an réamhíoctha a fháil |
| Pacáil | Cartán nó cás adhmaid. Is féidir freisin a bheith saincheaptha de réir riachtanais an chliaint |
| Iarrchán | An tionscal peitriceimiceach; Tionscal eitlíochta agus aeraspáis; tionscal cógaisíochta, sceite gáis; gléasra cumhachta; tógáil loinge; cóireáil uisce, srl. $ $ |
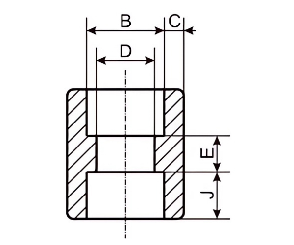
Toisí i milliméadair
| Trastomhas ainmniúil | B | D | C | J | Thoir | ||||||||
| DN | NPS | 3000lb | 6000lb | 9000lb | 3000lb | 6000lb | 9000lb | ||||||
| Ave | mí Miannach | Ave | mí Miannach | Ave | mí Miannach | ||||||||
| 6 | 1/8 " | 10.9 | 6.1 | 3.2 | -$ $ | 3.18 | 3.18 | 3.96 | 3.43 | - | - | 9.5 | 6.5 |
| 8 | 1/4 " | 14.3 | 8.5 | 5.6 | - | 3.78 | 3.30 | 4.60 | 4.01 | - | - | 9.5 | 6.5 |
| 10 | 3/8 " | 17.7 | 11.8 | 8.4 | - | 4.01 | 3.50 | 5.03 | 4.37 | - | - | 9.5 | 6.5 |
| 15 | 1/2 " | 21.9 | 15.0 | 11.0 | 5.6 | 4.67 | 4.09 | 5.97 | 5.18 | 9.53 | 8.18 | 9.5 | 9.5 |
| 20 | 3/4 " | 27.3 | 20.2 | 14.8 | 10.3 | 4.90 | 4.27 | 6.96 | 6.04 | 9.78 | 8.56 | 12.5 | 9.5 |
| 25 | 1 " | 34.0 | 25.9 | 19.9 | 14.4 | 5.69 | 4.98 | 7.92 | 6.93 | 11.38 | 9.96 | 12.5 | 12.5 |
| 32 | 1 1/4 " | 42.8 | 34.4 | 28.7 | 22.0 | 6.07 | 5.28 | 7.92 | 6.93 | 12.14 | 10.52 | 12.5 | 12.5 |
| 40 | 1 1/2 " | 48.9 | 40.1 | 33.2 | 27.2 | 6.35 | 5.54 | 8.92 | 7.80 | 12.70 | 11.12 | 12.5 | 12.5 |
| 50 | 2 " | 61.2 | 51.7 | 42.1 | 37.4 | 6.93 | 6.04 | 10.92 | 9.50 | 13.84 | 12.12 | 16.0 | 19.0 |
| 65 | 2 1/2 " | 73.9 | 61.2 | - | - | 8.76 | 7.62 | - | - | - | - | 16.0 | 19.0 |
| 80 | 3 " | 89.9 | 76.4 | - | - | 9.52 | 8.30 | - | - | - | - | 16.0 | 19.0 |
| 100 | 4 " | 115.5 | 100.7 | - | - | 10.69 | 9.35 | - | - | - | - | 19.0 | 19.0 |
Bunaithe i 2007 agus bhog sé go Crios Forbartha Eacnamaíochta Longyou, Zhejiang Province, i 2022. Clúdaíonn sé achar de 130,000 méadar cearnach, níos mó ná 30 líne táirgthe, 300 oibrí, 20 duine T&F, 30 duine cigireachta agus aschur bliantúil de 50,000 tonna.
Tá Córas Bainistíochta Cáilíochta ISO9001: 2008 rite aige, PED 97/23/CE deimhniú Trealamh Brú Trealamh Brú, Ceadúnas Déantúsaíochta Trealamh Speisialta na Síne (Feadán Brú) TS, Deimhniú ASME, Córas Bainistíochta Caighdeánaithe Fiontraíochta Cúige, Córas Bainistíochta Comhshaoil 2004, Clár Glan (Fiontraíocht Ghlas), agus sraith de theastas, Clár na Breataine), Clár na Breataine) de Chlár na Breataine), agus Sraith de Chlár na Breataine de Chumann Classification) na Breataine), agus: de loingseoireacht (LR), Deutsche Veritas (GL), Bureau Veritas Society (BV), Deimhniú Monarcha Norske Veritas (DNV), agus Deimhniú Monarcha Chlár Loingseoireachta na Cóiré (KR).
I measc na bpríomhtháirgí tá píopaí cruach dhosmálta, feistis phíobáin, flanges, comhlaí, etc., a úsáidtear go forleathan i peitriliam, tionscal ceimiceach, tionscal núicléach, bruithniú, longthógáil, cógaisíocht, bia, caomhnóireacht uisce, cumhacht leictreach, fuinneamh nua, trealamh meicniúil, agus páirceanna eile. Cloíonn an chuideachta leis an tenet corparáideach de "cháilíocht le haghaidh marthanais, cáil ar fhorbairt" agus freastalaíonn sé go dílis ar gach custaiméir chun cás buaiteach a chruthú.





Éilíonn bonneagar gáis ábhair a fheidhmíonn gan chomhréiteach - gan aon sceitheadh, gan aon chliseadh creimthe, gan aon iontas brú. Tá áit tuillte ag píopa cruach dhosmálta mar cheann de na rogh...
Féach níos móTá an-áthas orainn deireadh buaiteach ár rannpháirtíochta a fhógairt Feadán 2026 , príomh-aonach trádála an domhain do theicneolaíocht feadáin agus píopaí, a tionóladh ó 13 go 17 Aibreán, 20...
Féach níos móTá teicneolaíocht feadáin choil anois ar cheann de na huirlisí is riachtanach sa tionscal ola agus gáis nua-aimseartha. Cibé an idirghabháil mhaith, spreagadh nó druileáil é, cuireann cuideachta...
Féach níos móNí roinnfimid do sheoladh ríomhphoist go deo agus tusa
Is féidir linn diúltú ag am ar bith, geallaimid.