





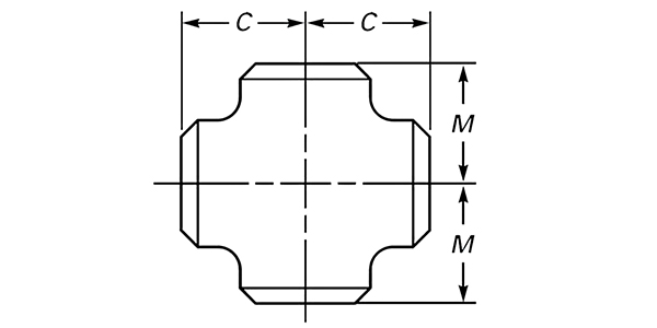
Is éard atá i gcros ná cineál feistithe píopaí a bhfuil ceithre oscailt aige ar nasc amháin. Breathnaíonn an fheistiú cosúil le cros agus nascann sé ceithre phíopa éagsúla isteach i bpointe amháin. Is iondúil go mbíonn soicéid táthaithe tuaslagóra nó foircinn mhná-snáithe ann.
Is éard atá i gceist le feistiú comhionann ná cros le gach ceann de na ceithre oscailt a bhaineann leis an trastomhas céanna agus a nascadh le ceithre phíopa den trastomhas céanna chomh maith.
Úsáidtear feistis phíobáin chun píopaí a nascadh agus sreabhadh a athrú nó a rialú trí chóras píobaireachta. Tá ról tábhachtach ag a thoisí maidir le neart agus cobhsaíocht a chinneadh. Nuair a bhíonn na píopaí méid céanna ceangailte agus nuair a shreabhann sreabháin ó threo amháin, roinnfear é i dtrí threo. Beidh Feistiú Trasphíobáin faoi réir fadhbanna brú mór nuair a shreabhann sreabhán i dtrí threo agus táthar ag súil go n-aistreoidh sé amach i dtreo amháin.
Is féidir le feistis chrosphíobáin strus a chur ar phíopaí de réir mar a athraíonn teochtaí mar gheall ar a nádúr ceithre bhealach. Dá bhrí sin, de ghnáth ní úsáidtear trasphíopaí mar chomhpháirteanna hiodrálacha píblíne. Os a choinne sin, i gcás nach saincheist é leathnú teirmeach, tá tras-fheistis níos buntáiste. $ $
Tabhairt isteach
| Croschros cothrom | |
| Mír | Cruach dhosmálta comhionann comhionann |
| Caighdeánach | ASME: ANSI B16.9, ANSI B16.28, MSS-SP-43 EN: EN10253-1, EN10253-2 DIN: DIN2605, DIN2615, DIN2616, DIN2617, DIN28011 ASME B16.25- Críochnaíonn Weld Weld ASME B16.28- Cruach Cruach Gearr-Ghearr-Chruach Elbows agus Tuairisceáin Táthú Butt MSS SP-43-Fabricated & Feistis Táthaithe Butt le haghaidh Iarratais Creimthe, Iarratais ar Bhrú Íseal ASTM A403-ASME SA403-shonrú le haghaidh feistis phíopaí cruach dhosmálta austenitic saoirsithe Feistis ASME B16.9-Feistis Welding Táthú |
| Ábhar | Cruach dhosmálta, cruach chóimhiotail, déphléacs, cóimhiotail nicile, cruach ísealteochta, cruach charbóin, srl. |
| Tar chun tosaigh | Galvanizing Téamh Teo, Leictrea -snas, ola thrédhearcach, plátaí since, péint dubh, vearnais |
| Tíopáil | Brúigh, brúigh, forge, teilgthe, etc. |
| méid | ½ "-48" |
| Am seachadta | Laistigh de 5-30 lá tar éis an réamhíoctha a fháil |
| Pacáil | Crapadh pailléid cartáin fillte nó i gcáim adhmaid farraige |
| Iarrchán | Feistis chun píopaí agus feadáin a nascadh i peitriliam, i gcumhacht, i gceimiceán, i dtógáil, i ngás, i miotalóireacht, i dtógáil long srl. $ $ |
| Méid an phíobáin ainmniúil | Méid an phíobáin ainmniúil | Ionad go deireadh (isteach.) | |
| NPS | (In.) | Rith, c | Asraon, m |
| ½ | 0.84 | 1.00 | 1.00 |
| ¾ | 1.05 | 1.12 | 1.12 |
| 1 | 1.32 | 1.50 | 1.50 |
| 1¼ | 1.66 | 1.88 | 1.88 |
| 1½ | 1.90 | 2.25 | 2.25 |
| 2 | 2.38 | 2.50 | 2.50 |
| 2½ | 2.88 | 3.00 | 3.00 |
| 3 | 3.50 | 3.38 | 3.38 |
| 3½ $ $ | 4.00 | 3.75 | 3.75 |
| 4 | 4.50 | 4.12 | 4.12 |
| 5 | 5.56 | 4.88 | 4.88 |
| 6 | 6.62 | 5.62 | 5.62 |
| 8 | 8.62 | 7.00 | 7.00 |
| 10 | 10.75 | 8.50 | 8.50 |
| 12 | 12.75 | 10.00 | 10.00 |
| 14 | 14.00 | 11.00 | 11.00 |
| 16 | 16.00 | 12.00 | 12.00 |
| 18 | 18.00 | 13.50 | 13.50 |
| 20 | 20.00 | 15.00 | 15.00 |
| 22 | 22.00 | 16.50 | 16.50 |
| 24 | 24.00 | 17.00 | 17.00 |
| 26 | 26.00 | 19.50 | 19.50 |
| 28 | 28.00 | 20.50 | 20.50 |
| 30 | 30.00 | 22.00 | 22.00 |
| 32 | 32.00 | 23.50 | 23.50 |
| 34 | 34.00 | 25.00 | 25.00 |
| 36 | 36.00 | 26.50 | 26.50 |
| 38 | 38.00 | 28.00 | 28.00 |
| 40 | 40.00 | 29.50 | 29.50 |
| 42 | 42.00 | 30.00 | 28.00 |
| 44 | 44.00 | 32.00 | 30.00 |
| 46 | 46.00 | 33.50 | 31.50 |
| 48 | 48.00 | 35.00 | 33.00 |
Bunaithe i 2007 agus bhog sé go Crios Forbartha Eacnamaíochta Longyou, Zhejiang Province, i 2022. Clúdaíonn sé achar de 130,000 méadar cearnach, níos mó ná 30 líne táirgthe, 300 oibrí, 20 duine T&F, 30 duine cigireachta agus aschur bliantúil de 50,000 tonna.
Tá Córas Bainistíochta Cáilíochta ISO9001: 2008 rite aige, PED 97/23/CE deimhniú Trealamh Brú Trealamh Brú, Ceadúnas Déantúsaíochta Trealamh Speisialta na Síne (Feadán Brú) TS, Deimhniú ASME, Córas Bainistíochta Caighdeánaithe Fiontraíochta Cúige, Córas Bainistíochta Comhshaoil 2004, Clár Glan (Fiontraíocht Ghlas), agus sraith de theastas, Clár na Breataine), Clár na Breataine) de Chlár na Breataine), agus Sraith de Chlár na Breataine de Chumann Classification) na Breataine), agus: de loingseoireacht (LR), Deutsche Veritas (GL), Bureau Veritas Society (BV), Deimhniú Monarcha Norske Veritas (DNV), agus Deimhniú Monarcha Chlár Loingseoireachta na Cóiré (KR).
I measc na bpríomhtháirgí tá píopaí cruach dhosmálta, feistis phíobáin, flanges, comhlaí, etc., a úsáidtear go forleathan i peitriliam, tionscal ceimiceach, tionscal núicléach, bruithniú, longthógáil, cógaisíocht, bia, caomhnóireacht uisce, cumhacht leictreach, fuinneamh nua, trealamh meicniúil, agus páirceanna eile. Cloíonn an chuideachta leis an tenet corparáideach de "cháilíocht le haghaidh marthanais, cáil ar fhorbairt" agus freastalaíonn sé go dílis ar gach custaiméir chun cás buaiteach a chruthú.





Éilíonn bonneagar gáis ábhair a fheidhmíonn gan chomhréiteach - gan aon sceitheadh, gan aon chliseadh creimthe, gan aon iontas brú. Tá áit tuillte ag píopa cruach dhosmálta mar cheann de na rogh...
Féach níos móTá an-áthas orainn deireadh buaiteach ár rannpháirtíochta a fhógairt Feadán 2026 , príomh-aonach trádála an domhain do theicneolaíocht feadáin agus píopaí, a tionóladh ó 13 go 17 Aibreán, 20...
Féach níos móTá teicneolaíocht feadáin choil anois ar cheann de na huirlisí is riachtanach sa tionscal ola agus gáis nua-aimseartha. Cibé an idirghabháil mhaith, spreagadh nó druileáil é, cuireann cuideachta...
Féach níos móNí roinnfimid do sheoladh ríomhphoist go deo agus tusa
Is féidir linn diúltú ag am ar bith, geallaimid.