





Is cuid riachtanach i gcórais pluiméireachta é feistis tee a laghdú, ag tairiscint tuaslagán gan uaim chun sreabhadh uisce nó sreabhán a atreorú ó phíopaí níos mó go cinn níos lú. Is éard atá sna feistis seo ná oscailtí de mhéideanna éagsúla, agus tá trastomhas níos mó ag an ionraoin lárnach ná an dá asraonta taobh.
Ceann de na príomhbhuntáistí a bhaineann le feistis tee a laghdú ná a solúbthacht. Faigheann siad iarratais i dtionscail agus i gcórais éagsúla, lena n-áirítear córais phumpála, córais ard-íonachta, agus línte seachadta. Cibé an bhfuil sé ag stiúradh soláthar uisce i bhfoirgnimh chónaithe nó ag éascú draenáil éifeachtach i mbunaíochtaí tráchtála, tá ról ríthábhachtach ag laghdú ar théamaí.
I gcórais phumpála, cinntíonn laghdú feistis tee cosáin sreafa réidh gan suaiteacht nó iontrálacha. Cuidíonn sé seo le feidhmíocht a choinneáil trí thiteann brú a íoslaghdú agus cosc a chur ar aon briseadh a d'fhéadfadh difear a dhéanamh d'éifeachtúlacht fhoriomlán an chórais. Ina theannta sin, tá na feistis seo deartha chun cineálacha éagsúla sreabhán a láimhseáil mar ábhair dramhaíola, soláthar uisce, gás, agus ola.
Athraíonn an t -ábhar tógála a úsáidtear chun feistis TEE a laghdú ag brath ar riachtanais shonracha. I measc na roghanna coitianta tá cruach dhosmálta dá airíonna friotaíochta creimthe agus marthanacht nó PVC (clóiríd pholaivinile) as a inacmhainneacht agus a éascaíocht suiteála.
Nuair a bhaineann sé le suiteáil, roghnaíonn gairmithe go cúramach méideanna cuí bunaithe ar thoisí píopaí chun comhoiriúnacht a chinntiú agus feidhmiúlacht a uasmhéadú. Soláthraíonn na TEEanna atá suiteáilte go cuí naisc iontaofa a íoslaghdaíonn sceitheadh agus a choinníonn sreabhadh sreabhach comhsheasmhach ar fud an chórais.
Tríd is tríd, tugtar réiteach éifeachtach ar fheistis TEE chun sreafaí sreabhach a atreorú laistigh de líonraí pluiméireachta. Mar gheall ar a gcumas freastal ar mhéideanna éagsúla píopaí, tá comhpháirteanna fíor -riachtanach acu ar fud na dtionscal iomadúla ina bhfuil bainistíocht éifeachtach sreabhach ríthábhachtach. $ $
Tabhairt isteach
| Ag laghdú tee | |
| Mír | Cruach dhosmálta ag laghdú tee |
| Caighdeánach | ASTM A312, ANSI B16.9, EN, GB, DIN, GOST, JIS304/304, srl. |
| Ábhar | 304 316 304L 321 2205 2520 904L/saincheaptha |
| Tar chun tosaigh | Galvanized te, galbhánaithe leictrealaíoch, críochnaithe nádúrtha, dubh ceimiceach, plátáilte since, srl |
| Tíopáil | Brionnaithe |
| méid | Dn600-700, méid saincheaptha |
| Am seachadta | Laistigh de 5-30 lá tar éis an réamhíoctha a fháil |
| Pacáil | Tá gach píosa fillte le scannán plaisteach agus ansin pacáilte le pailléid adhmaid nó cás adhmaid. |
| Iarrchán | Píblínte sreabhach íseal agus meánbhrú, coirí, tionscal peitriliam agus gáis nádúrtha, druileáil, tionscal ceimiceach, tionscal leictreach, longthógáil, trealamh leasacháin agus píblíne, struchtúr, peitriceimiceach, tionscal cógaisíochta, srl. $ $ |
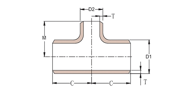
| Trastomhas ainmniúil | Trastomhas taobh amuigh | Lár le deireadh | |||
| DN | NPS | D1 | D2 | C | M |
| 600 × 600 × 450 | 24 × 24 × 18 | 630 | 480 | 432 | 419 |
| 600 × 600 × 400 | 24 × 24 × 16 | 630 | 426 | 432 | 406 |
| 600 × 600 × 350 | 24 × 24 × 14 | 630 | 377 | 432 | 406 |
| 600 × 600 × 300 | 24 × 24 × 12 | 630 | 325 | 432 | 397 |
| 600 × 600 × 250 | 24 × 24 × 10 | 630 | 273 | 432 | 384 |
| 700 × 700 × 600 | 28 × 28 × 24 | 720 | 630 | 521 | 508 |
| 700 × 700 × 500 | 28 × 28 × 20 | 720 | 529 | 521 | 483 |
| 700 × 700 × 450 | 28 × 28 × 18 | 720 | 478 | 521 | 470 |
| 700 × 700 × 400 | 28 × 28 × 16 | 720 | 426 | 521 | 457 |
| 700 × 700 × 350 | 28 × 28 × 14 | 720 | 377 | 521 | 457 |
| 700 × 700 × 300 | 28 × 28 × 12 | 720 | 325 | 521 | 448 |
Comhdhéanamh ceimiceach
| Grád | C ≤ | Si ≤ | Mn ≤ | P ≤ | S ≤ | Ni ≤ | Cr ≤ |
| 201 | 0.12 | 0.75 | 7 | 0.045 | 0.045 | 1.00-1.28 | 13.70-15.70 |
| 202 | 0.15 | 1 | 2.25 | 0.045 | 0.045 | 4.07-4.17 | 14.00-16.00 |
| 304 | 0.08 | 0.75 | 2 | 0.045 | 0.03 | 8.00-11.00 | 18.00-20.00 |
| 304l | 0.035 | 0.75 | 2 | 0.045 | 0.03 | 8.00-13.00 | 18.00-20.00 |
| 309 | 0.15 | 0.75 | 2 | 0.045 | 0.03 | 12.00-15.00 | 22.00-24.00 |
| 310s | 0.08 | 1.5 | 2 | 0.045 | 0.03 | 19.00-22.00 | 24.00-26.00 |
| 316 | 0.08 | 1 | 2 | 0.045 | 0.03 | 10.00-14.00 | 16.00-18.00 |
| 316L | 0.035 | 0.75 | 2 | 0.045 | 0.03 | 10.00-15.00 | 16.00-18.00 |
| 321 | 0.04-0.10 | 0.75 | 2 | 0.045 | 0.03 | 9.00-13.00 | 17.00-20.00 |
| 405 | 0.08 | 0.75 | 1 | 0.045 | 0.03 | 0.06 | 11.5-13.5 |
| 409 | 0.089 | 1 | 1 | 0.045 | 0.05 | 0.06 | 10.50-11.75 |
| 410 | 0.15 | 0.75 | 1 | 0.045 | 0.03 | 0.06 | 11.5-13.5 |
| 420 | 0.16-0.25 | 1 | 1 | 0.04 | 0.03 | 0.06 | 12.00-14.00 |
| 430 | 0.12 | 0.75 | 1 | 0.045 | 0.03 | 0.06 | 16.00-18.00 |
| 904L | 0.02 | 1 | 2 | 0.045 | 0.03 | 23.00-28.00 | 19.00-23.00 $ $ |
Bunaithe i 2007 agus bhog sé go Crios Forbartha Eacnamaíochta Longyou, Zhejiang Province, i 2022. Clúdaíonn sé achar de 130,000 méadar cearnach, níos mó ná 30 líne táirgthe, 300 oibrí, 20 duine T&F, 30 duine cigireachta agus aschur bliantúil de 50,000 tonna.
Tá Córas Bainistíochta Cáilíochta ISO9001: 2008 rite aige, PED 97/23/CE deimhniú Trealamh Brú Trealamh Brú, Ceadúnas Déantúsaíochta Trealamh Speisialta na Síne (Feadán Brú) TS, Deimhniú ASME, Córas Bainistíochta Caighdeánaithe Fiontraíochta Cúige, Córas Bainistíochta Comhshaoil 2004, Clár Glan (Fiontraíocht Ghlas), agus sraith de theastas, Clár na Breataine), Clár na Breataine) de Chlár na Breataine), agus Sraith de Chlár na Breataine de Chumann Classification) na Breataine), agus: de loingseoireacht (LR), Deutsche Veritas (GL), Bureau Veritas Society (BV), Deimhniú Monarcha Norske Veritas (DNV), agus Deimhniú Monarcha Chlár Loingseoireachta na Cóiré (KR).
I measc na bpríomhtháirgí tá píopaí cruach dhosmálta, feistis phíobáin, flanges, comhlaí, etc., a úsáidtear go forleathan i peitriliam, tionscal ceimiceach, tionscal núicléach, bruithniú, longthógáil, cógaisíocht, bia, caomhnóireacht uisce, cumhacht leictreach, fuinneamh nua, trealamh meicniúil, agus páirceanna eile. Cloíonn an chuideachta leis an tenet corparáideach de "cháilíocht le haghaidh marthanais, cáil ar fhorbairt" agus freastalaíonn sé go dílis ar gach custaiméir chun cás buaiteach a chruthú.





Éilíonn bonneagar gáis ábhair a fheidhmíonn gan chomhréiteach - gan aon sceitheadh, gan aon chliseadh creimthe, gan aon iontas brú. Tá áit tuillte ag píopa cruach dhosmálta mar cheann de na rogh...
Féach níos móTá an-áthas orainn deireadh buaiteach ár rannpháirtíochta a fhógairt Feadán 2026 , príomh-aonach trádála an domhain do theicneolaíocht feadáin agus píopaí, a tionóladh ó 13 go 17 Aibreán, 20...
Féach níos móTá teicneolaíocht feadáin choil anois ar cheann de na huirlisí is riachtanach sa tionscal ola agus gáis nua-aimseartha. Cibé an idirghabháil mhaith, spreagadh nó druileáil é, cuireann cuideachta...
Féach níos móNí roinnfimid do sheoladh ríomhphoist go deo agus tusa
Is féidir linn diúltú ag am ar bith, geallaimid.